Make you requests and they shall be fulfilled.Screenshots only, don't ask me for files and crap on a vehicle, it's too much trouble.Oh, and:YEAR, MAKE, MODEL, ENGINE, TRIM LEVELThat is all.
8/29/2008 4:59:41 PM
is that the same asMitchell1.OnDemand5.1.QTR.2007.ESTIMATOR-EcHoSMitchell1.OnDemand5.1.QTR.2007.INSTALL.CD-EcHoSMitchell1.OnDemand5.1.QTR.2007.REPAIR1.DVD-EcHoSMitchell1.OnDemand5.1.QTR.2007.REPAIR2.DVD9-EcHoSMitchell1.OnDemand5.1.QTR.2007.REPAIR7.DVD9-EcHoS
8/29/2008 5:55:53 PM
^ nope, far superior and the 2008 edition
8/29/2008 5:58:49 PM
Meh I'll just download the torrents
8/29/2008 9:17:21 PM
^ you realize its close to 120GB right?
8/29/2008 9:19:57 PM
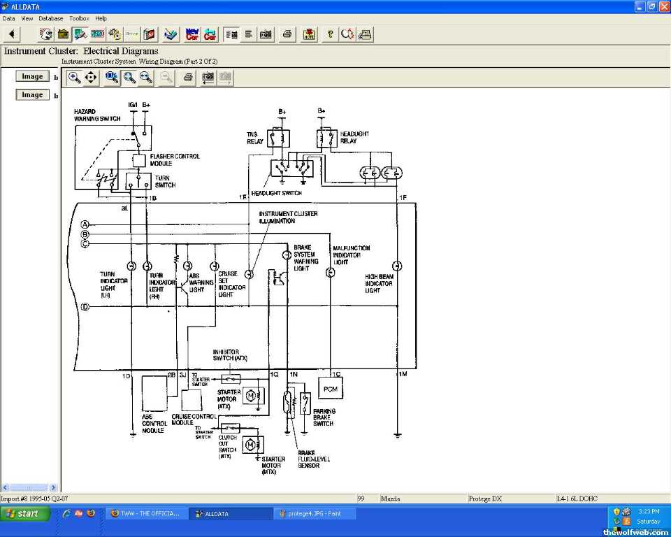
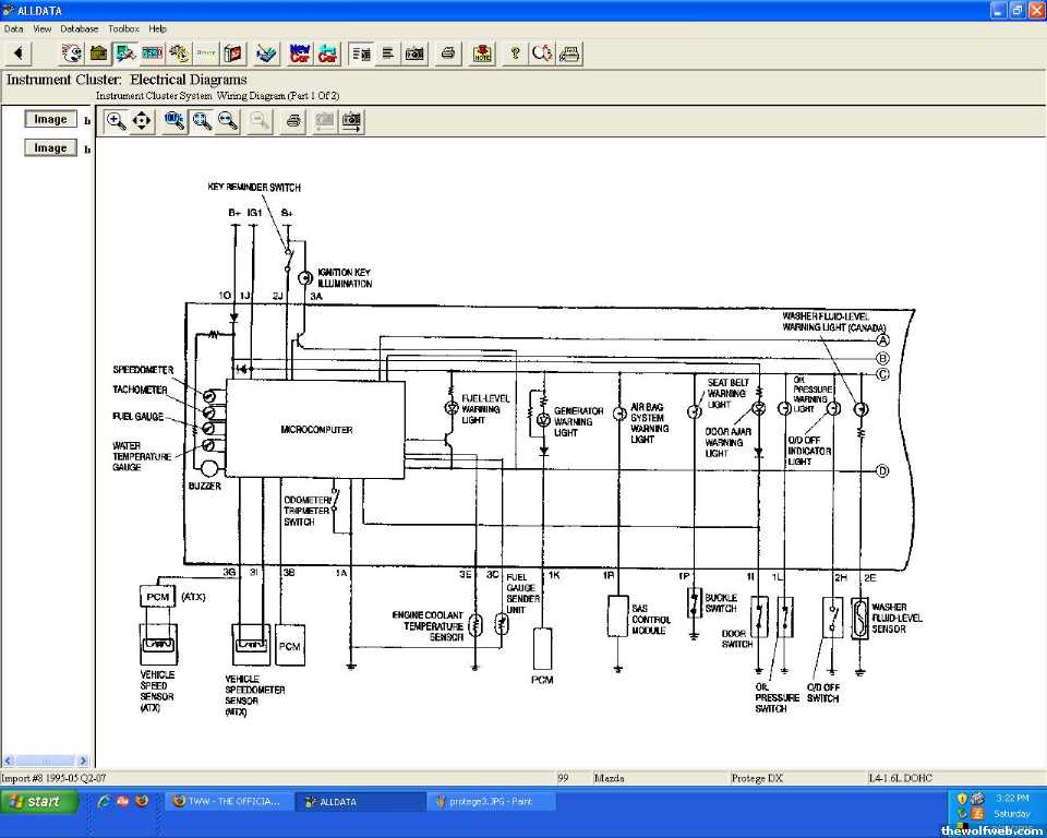
can i get the instrument panel harness diagram for a 1999 Mazda Protege DX 1.6Li need to know what wire is what in that harness
8/30/2008 10:52:53 AM
Here is the cluster diagram, match the number of the wire exiting to the pinout diagram for the wire color. If you need info on a specific system, then let me know which one and I'll get you the diagram for it.[Edited on August 30, 2008 at 4:30 PM. Reason : every answered question requires a bump to the free 69 thread in FF]
8/30/2008 4:27:48 PM
8/30/2008 4:44:41 PM
As per request, engine removal for an '01 Lincoln LS 3.9Part 1:Part 2 to come after dinner and a few more beers
8/30/2008 6:48:55 PM
Thanks. replying to PM too
8/30/2008 6:58:59 PM
engine removal for an '01 Lincoln LS 3.9Part 2:
8/30/2008 7:35:50 PM
I think this maybe on All Data but replacing upper and lower Ball Joints on a 1997 Ford Explorer XLT V8 2wd
8/30/2008 10:05:43 PM
The balljoints can't be replaced, you have to replace the entire control arm.Upper:Lower:Then you need to go get it aligned.[Edited on August 31, 2008 at 2:39 PM. Reason : premie now]
8/31/2008 2:35:14 PM
engine removal for an '01 Lincoln LS 3.9Part 2:putting a capital .JPG on the end makes them big also btw.. and i'm doing this so i dont have to save them all lol
8/31/2008 3:15:29 PM
how to install "black ice" air freshener into 73 chrysler newport?[Edited on August 31, 2008 at 7:32 PM. Reason : and some 22's]
8/31/2008 7:32:00 PM
Step 1:+Step 2:+Step 3:=
8/31/2008 7:36:52 PM
lol
8/31/2008 8:36:58 PM
8/31/2008 11:08:48 PM
hahi got the whole database toopm me your requests if you'd like
8/31/2008 11:25:41 PM
i need the whole ford dvd for 9.3any chance you have that version??
8/31/2008 11:30:38 PM
pics are pretty grainy. you can double the size (still under 200k) and it will be much clearer. also, it'd be easier for you (and us) to zip the picture files all together and give us a Yousendit.com or Sendspace.com link. Both sites allow you to upload files to them for free and share them through links. Very easy
9/1/2008 4:09:09 PM
or you could just stop complaining because i'm not gonna waste that much time with it
9/1/2008 4:16:26 PM
2000 chev venture intake manifold gaskets PLEASE
9/4/2008 4:59:08 PM
^ its a long onegive me till tomorrow night to get it posted up, i just got off a 16 hour paper machine outage, worked 42 hours since monday night on about 10 hours of sleep, and am filling in for a foreman on 12 hours nights next week on the lime kiln outage, i feel beat down like a cambodian hostage
9/4/2008 8:46:23 PM
Im in no hurry, you can email it to me if its easier too.
9/4/2008 8:54:58 PM
Well here it is, my last post on this site until 69 is rightfully freed, so probably ever.If you need info with better quality screenshots, ask for it from me here: http://private.snotmonkey.com/viewtopic.php?f=10&t=130</a>[Edited on September 5, 2008 at 8:35 PM. Reason : fuck bearfaggot]
9/5/2008 8:32:00 PM
Wiring diagrams for the radio 1993 Cadillac Seville 4.9
9/23/2008 4:56:55 PM
9/23/2008 5:45:52 PM
Yeah, use the private forum for this shit.You can just upload a zip file of all the images, rather than posting a billion on the page.
9/23/2008 6:03:08 PM
bttt
12/15/2008 12:02:25 PM
1995 Toyota Corolla DX, 1.6L I-4Wiring diagrams for headlight harness, plz
12/15/2008 12:23:49 PM
with or without daytime running lamps on the corolla?
12/15/2008 6:02:38 PM
without plz
12/19/2008 11:04:06 AM
head removal for bmw 540i (m62) with 6spd 1997 (single vanos)
12/19/2008 11:48:50 AM
i need the vehicle speed sensor location and diagnostic information for a 1995 Honda Accord EX Sedan Automaticthx
1/16/2009 11:50:40 AM
I'll check when i get home tonight
1/16/2009 11:53:09 AM
thxthe gf is complaining that the speedometer is just randomly jumping around
1/16/2009 12:31:50 PM
does the cruise control work ok? if so, its a problem with the speedometer
1/16/2009 5:40:49 PM
no clueill check it outnow that i think about it, she did complain that the cruise control was doing a horrible job keeping her at a constant speed
[Edited on January 16, 2009 at 5:48 PM. Reason :
1/16/2009 5:44:53 PM
bttt get this mf to page two to clear all these pics
2/20/2009 6:56:44 PM
^i can delete the ones that are no longer needed if the user of them would let me know that they are done.
2/20/2009 8:25:48 PM
needless pad
2/20/2009 8:30:57 PM
pad
2/20/2009 8:31:21 PM
2/20/2009 8:31:50 PM
2/20/2009 8:32:13 PM
2/20/2009 8:32:34 PM
2/20/2009 8:32:56 PM
2/20/2009 8:33:17 PM
page two, fresh start ask and you shall receive[Edited on February 20, 2009 at 9:29 PM. Reason : haha]
2/20/2009 8:34:41 PM
^pg. 2? wtf are you talking about?
2/20/2009 9:29:00 PM