User not logged in - login - register
Home Calendar Books School Tool Photo Gallery Message Boards Users Statistics Advertise Site Info
go to bottom | |
 Message Boards » » Electrical Drain Page [1]  
Skack
All American
31140 Posts
user info
edit post

YEAR: 1991
MAKE: BMW
MODEL: 318is

Question: How are you supposed to diagnose an electrical drain if the offender isn't on the other side of the fuse box from the battery?

Symptom: Battery goes dead from a solid charge (solid charge = easily cranks the car) in less than 24 hours. Will barely power trunk light. Won't even think about moving the starter to crank the car.

Problem Determination:
- The only device wired directly to the battery is the stereo amplifier. Pulled amp fuse to make sure the amp wasn't somehow drawing power when shut off. No dice.
- Pulled all fuses in fuse box. Battery still goes dead after the car sits overnight.
- Pulled CD Player head unit thinking it might be something with the constant power wire. No dice.

Works fine if I disconnect the battery after each use.

WTF, B? How do I troubleshoot this?

4/23/2009 11:48:27 PM

69
Suspended
15861 Posts
user info
edit post

disconnect your alternator and see if the battery dies overnight, i bet you a dozen krispy kremes and a handjob your have bad diodes in your alternator rectifier thats draining the battery

4/24/2009 2:09:19 AM

Skack
All American
31140 Posts
user info
edit post

I disconnected the alternator and it still went dead. Any other suggestions?

4/28/2009 3:03:38 PM

69
Suspended
15861 Posts
user info
edit post

pull the cable off the battery and barely touch it to it, see if there is a spark,m that shows a fairly high draw, otherwise get the battery checked, i'll look at some wiring diagrams and give you some better direction

4/28/2009 3:30:21 PM

Skack
All American
31140 Posts
user info
edit post

It sparks fairly often when I disconnect or connect it. This is actually the second battery I've tried. I think the first one that was in there got killed by the repeated draining because it got to a point where it wouldn't take a charge.

[Edited on April 28, 2009 at 3:35 PM. Reason : l]

4/28/2009 3:32:06 PM

optmusprimer
All American
30318 Posts
user info
edit post

disconnect the starter overnight then see if it will start

4/28/2009 4:42:26 PM

Skack
All American
31140 Posts
user info
edit post

I'll give it a shot.

By the way, if anyone has one of these or knows where I can pick one up locally it would probably help me out:


[Edited on April 28, 2009 at 4:59 PM. Reason : l]

4/28/2009 4:52:55 PM

69
Suspended
15861 Posts
user info
edit post

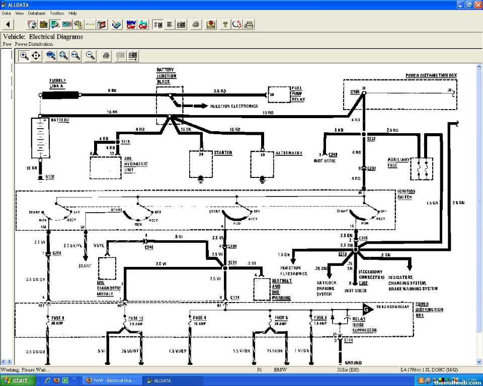
dear lord baby jesus there is a lot of shit tied in everywhere

this is what you're workin with



I would disconnect the cable from the battery junction block to the power distribution block, let it sit, and report back.

If it doesn't die, that rules out your alternator, starter relay, abs unit, and fuel pump relay.

Then I would disconnect the wire coming off the main wire from the power distribution block, that leads to a whole lot of stuff that isn't fused in the block.

All this is assuming your amp and aftermarket stereo is unhooked and we are dealing with a vehicle wiring problem.

4/28/2009 5:20:04 PM

john kruk
All American
5325 Posts
user info
edit post

I had the same problem in my 86 325es... luckily the battery was in the trunk... so it was pretty simple (annoying but simple) to disconnect and reconnect the battery every time i drove somewhere.

never found the problem tho, so no help here.

4/28/2009 5:21:57 PM

Shaggy
All American
17820 Posts
user info
edit post

plug the drain so the power wont leak out.

hth

4/28/2009 5:24:52 PM

69
Suspended
15861 Posts
user info
edit post

if you can wait two weeks till i'm in raleighwood, i'll diagnose it for $50 in an hour or less, or its free, i am king niggerjew when it comes to electrical problems

4/28/2009 5:30:06 PM

Skack
All American
31140 Posts
user info
edit post

^ If I haven't sold it or jumped it into a rock quarry by then I'll probably take you up on that.

4/29/2009 9:58:42 AM

tchenku
midshipman
18626 Posts
user info
edit post

Quote :
"i bet you a dozen krispy kremes and a handjob"


pay up!

4/29/2009 11:05:43 AM

69
Suspended
15861 Posts
user info
edit post

still not conviced thats not the problem, but too long to explain

4/29/2009 11:49:42 AM

 Message Boards » The Garage » Electrical Drain Page [1]  
go to top | |
Admin Options : move topic | lock topic

© 2026 by The Wolf Web - All Rights Reserved.
The material located at this site is not endorsed, sponsored or provided by or on behalf of North Carolina State University.
Powered by CrazyWeb v2.39 - our disclaimer.